微弱电流检测电路设计
电子科学与技术 201110101 樊娇娇
指导老师 汪再兴(副教授)
摘 要:本文的重点是如何在低噪声的情况下设计出合适的电路,从而检测出微弱电流,也就是最终实现微弱信号的放大。本文对于微弱电流检测电路的选择,也就是在积分法测量微弱电流以及高阻抗输入法测量微弱电流这两种方法中,选择了高阻抗输入法,同时在原有高阻抗输入法的原理上加以改进电路,使用SIT代替了原本的差分放大电路。利用这种方法,不仅可以实现微弱电流检测中电流到电压的转换,同时利用SIT本身的负温度系数的特性以及选择电路所具有的低噪声特性,可以实现电路所要求的低噪声环境。同时这个电路所组成的放大电路也可以实现微弱信号的放大。
关键词:高阻抗输入;I-V转换;放大电路
1 引言
微弱电流指的是小于
A的电流。微电流检测是微弱信号检测中的一个分支,它关注的主要是噪声,研究的重点是怎么样在抑制噪声的同时提高信噪比[1]。这种技术在相当多的领域都有广泛的运用,例如物理学、化学、军事侦察、电化学、生物医学等领域。Chaplin在1957年运用晶体管实现了载波调制直流放大器,它能够检测
A的信号。后来,McCaslin将低泄露绝缘栅场效应管运用到普通的放大电路中,使得微弱电流检测技术进一步提高,可以测量
A的电流。目前阶段市场上典型常见的测量仪的使用状况主要如表1.1所示:
表1.1中国内地市场上微弱电流测量仪的状况
型号 |
测量范围 |
测量精度 |
生产厂商 |
EST121 |
0.1fA~20mA |
0.1fA |
北京市劳动保护科学研究所 |
LC-0708 |
1fA~
20mA |
1fA |
武汉市龙成电器设备长 |
东茂24/0 |
0~1.999pA |
1fA |
上海群尚仪器仪表有限公司 |
吉时利6485 |
20fA~20mA |
20fA |
美国吉时利(Keithley)仪器公司 |
R8340 |
10fA~19.999mA |
可选择 |
日本爱德万(Advantest) |
本文重点在于研究并且完成对于pA级直流微弱电流的检测。针对噪声特性、种类、传播机理以及各种不同元器件的噪声模型进行了详细的研究,然后在此基础上对噪声设计原则进行了总结,本文主要通过I-V转换原理实现微弱电流到微弱电压的转换,在此基础上采用高阻抗放大法将微弱电流放大为较大的电压。
2. 总体设计方案
2.1 微弱电流检测方法概述
电路中微弱电流的测量方法包括直流测量、交流测量这两种,但是由于通过相敏检波以及滤波这两个步骤后,交流信号以直流电平形式表现,因此本文中的微弱电流测量全都指的是直流测量[2]。
2.2 微弱电流测量方法—高阻抗输入法
利用电阻从而将输入微弱电流变成电阻两端的电压,这种方法又叫做直放式微弱电流转换法。实验中经常用到的电路如图2.1:
图2.1直放式微电流转换法原理
这个电路中输入的电流与输出的电压之间的关系如下:
(2.1)
在测量微弱电流的过程中,我们的首要任务是放大微弱信号,同时在判断放大器的优劣时,放大器以及信号源这两者所表现出来的外部特性特别重要。在放大器工作时,由于它具有一定的内阻,因此它总是要吸收一部分的信号。因此放大器对于信号源,可以简化成一个电阻,并把这个电阻叫做它的输入电阻
。同时在另一方面,放大器的内阻对电路的放大倍数也会产生一定的影响,这个影响可以由下式表示出来。根据等效电路:
=
/(
+
) (2.2)
通过上面的表达式,我们可以发现,当信号源的电势大小
是固定的值的时候,信号源的内阻
越小,并且放大器的输入电阻
越大,电路中放大器输入端的有效信号电压的值就越大。因此,我们为了使放大器的灵敏度较高,我们一般希望信号源的内阻比较低,同时放大器的输入电阻比较大。
一般在测量微弱电流的过程中,为了提高输入电阻,我们一般会利用一对场效应管从而组成差动放大器,然后把这个差分电路作为电路的输入端。场效应管直流输入电阻RGS很大,一般情况下能到1011-1014欧。而且通过采用一对性质完全一样的场效应管,我们可以获得特别大的共模抑制比。另一个方面,结型场效应管在工作的时候,内部PN结处于反相工作状态,栅极电流可以默认为零,因此电路输入端的偏置电流很小,可以达到10-11-10 14A。因此我们通过高阻抗输入电路,可以将我们所测的微弱电流让其几乎全都通过反馈电阻,同时由于放大器的
图2.2放大器输入电阻等效原理
内阻比较大,使得通过的电流基本上为零。采用这种方法,我们的测量结果就会比较准确。电路原理图在图2.3所示的那样:
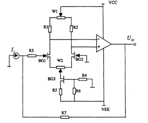
图2.3高输入阻抗法测量微弱电流的原理
图2.3中,BG1、BG2最佳工作是这两个管是对管,通过R4、R6我们可以确定BG3的工作点,W1、W2的作用主要是调整BG1、BG2的漏电流,R1、R2属于源级电阻,R3属于限流电阻[3]。我们在选择合适的BG1、BG2时,考虑的主要问题是RGS,同时还有栅电流的大小情况。这个电路的作用主要是提高放大器的输入电阻,实现这个目标的过程是将场效应管BG1、BG2串联在放大器的输入端。但是这种方法也存在缺点,那就是调节差动放大器的零点,这个点很难调节。
3. 电路设计与实验
3.1 I-V转换原理
一种比较常见的就是阻抗输入法,也是我们实验所要采用的方法。当一电流通过一已知阻值的电阻的时候,通过欧姆公式就可以将一电流转化为电阻两端电压降的关系。目前常见的电阻的阻值最大可以达到
,也就是兆级,但是微弱电流,所指的就是小于
的电流,如果皮安级的电流通过这个最大的电阻,得到的电压也是微伏级的,因此,I-V转换的时候采用电阻显然不太合理,因此需要寻找合适的器件,合适的电路[1]。,在实际实验中,我们采用的是静电感应晶体管,也就是SIT,通过这个管子本身的特性来解决小电流到大电压的转换。
4.2 电路分析
在实验中,我们为了更好的设计电路,从以下几方面考虑:对于输出端电流,我们只要在管子的漏极通过电容耦合一个负载,通过测量负载两端压降求得输出电流。而一般情况下,在管子栅极和直流电源之间,源极和地之间,都要加一电阻。接下来我们就要考虑各个电阻的大小。SIT和这些器件一起构成一个放大电路,因为我们考虑的是微安级电流信号的放大,因此在相同的输入电压的情况下,信号源、栅极之间电阻Rg越大越好;而输出端的耦合电容,为了让信号输出在负载两端的压降尽量大。整体考虑,我们决定在电路中,给定Rg,RL,Rs、输入信号、直流电压源的大小不变,通过改变Rd的值,分析不同电阻下电路对电流的放大能力,从而得出电流放大的最优值。
结合以上几方面,我们给出了实验中所需的电路如下:
图4.1实验电路图
4.3 电路实验及结果
本文的目的主要在于对于微弱电流的放大,也就是将电流通过一个高阻抗的电阻,将其转换成电压,实现I-V转换,同时再通过一个放大电路,以实现对这个信号的放大作用。本文中这两个步骤都可以在静电感应晶体管SIT上面实现,既简化了电路,同时又实现了电路最终的目的。
如图4.1中所示,假设输入电压为Vi,即图中所示电阻Rg左端电势为Vi;Rg右端电势记为Vi,之所以检测这点的电势,是为了确定输入的微弱电流值的大小;输出电势为V0,也就是电路中电容C右端电势。在电路中我们通过改变Rd的值,而其他的器件的值都保持不变,从而测得在不同Rd的情况下,电路对电流放大倍数的影响,从而获得Rd的一个大概值以得到最大的放大倍数。在实验中,我们分别测试了两大组数据,分别测试当Rg为一定值时,电流放大倍数随阻值Rd的变化情况;接下来我们变化电阻Rg的值,然后再看这个时候电流放大倍数同电阻Rd的变化关系。电路中,我们分别另
,
,
。
我们先测量当
,
时的电路放大情况,此时的电路如下:
图4.2实验电路图
放大电路最后的输出波形及输出电势大小为:
图4.5输出波形
当Rd分别为10k,15k,20k时各个量的大小分别如下表:
表4.1
时电流放大倍数同Rd的关系
Rd |
|
|
|
|
|
A |
6k |
1.46v |
128mv |
82mv |
|
0.146A |
950000 |
10k |
1.34v |
124mv |
61mv |
0.21
 |
0.134A |
638000 |
15k |
1.28v |
132mv |
88mv |
0.147
 |
0.128A |
870000 |
20k |
1.72v |
132mv |
84mv |
0.16
 |
0.172A |
1075000 |
接下来,我们测量当
时电流放大倍数同电阻Rd阻值的变化关系,测量过程同第一组实验测量过程相似,因此就只在下表中给出各个量的大小:
表4.2
时电流放大倍数同Rd的关系
Rd |
|
|
|
|
|
A |
6k |
576mv |
124mv |
52mv |
0.08
 |
5.76mA |
72000 |
10k |
556mv |
126mv |
56mv |
0.078
 |
5.56 mA |
71000 |
15k |
528mv |
122mv |
44mv |
0.0867
 |
5.28 mA |
60000 |
20k |
456mv |
120mv |
50mv |
0.078
 |
4.56 mA |
58000 |
通过观察表4.1和表4.2,我们可以发现,对于同样的输入电阻Rg,当漏端电阻Rd变化时,电流放大倍数也会跟着变化;同样对于同样的栅极电阻Rd,当给定的电阻Rg的大小不一样的时候,电流放大倍数也会跟着缩小。也就是,电路中任一参数变化都会导致电流放大倍数的变化。为了更清晰地表明电流增益的变化情况,我们用折线图表示:
图4.6当Rg分别等于900k,300k时电流增益随Rd的关系
其中,A1表示当Rg=900k时电流增益的变化;A2表示Rg=300k时电流增益的变化。
从这个折现图我们可以发现,电流放大倍数其实与Rg,Rd的值没有太大直接的关系,但是这个电路中对电流的放大倍数都可达到10000以上,也就是说,用这个电路至少可实现微安级电流到毫安级电流的放大,将不能被检测到的微弱电流信号经过放大,变成了在实验中我们可以计算出来的电流信号。
总结
本文在利用平时测量微弱电流时常用的方法,也就是高阻抗输入法实现微弱信号到大电压的转换,但我们在实验过程中对原来的高阻抗电路进行了一个改进,信号可以得到稳定放大的效果。利用本文的设计实现了对亚微安的放大,其增益约为70db。
参考文献
[1] 王卫勋.微电流检测方法的研究.西安理工大学,2007.3-11.
[2] 王月娥.微电流测量方法的研究.西安理工大学,2005.1-43.
[3] 佘乾顺.微弱电流检测系统的设计与实现.西北师范大学,2009.1-13.
[4] 王静怡.基于隧道效应的微弱电流检测装置的设计.南京航空航天大学,2013.1-52.
[5] 张琳娇.小功率射频静电感应晶体管的设计.兰州大学,2011.1-58.
Abstract
This article focuses on how to design a suitable circuit in the case of low-noise, thereby we can detect the weak current, which is ultimately amplify weak signals. There are many methods for weak current detection,such as,the method of integral and the method of high-impedance imput.In this paper,wo choose the measure of high-inpedance imput. But we change the original principle of high impedance input circuit, instead of using the SIT of the original differential amplifier circuit. With this method, not only can we detect weak current in the current to voltage conversion, but also we can take the advantage of the characteristics of the negative temperature coefficient of SIT . This selection circuit has low noise characteristics, and it can also achieve the desired low circuit noise environment. While,the amplifying circuit can amplify weak signals.
Keyword:high impedance input;I-V conversion;amplifier