基于单片机的温湿度控制器的研究与设计
电子科学与技术 201210701 韩运
指导教师 孙春霞(副教授)
摘 要:随着科学技术的不断发展,人们对自己生活品质和工作效率的要求也逐渐提高,而温度和湿度是决定这两项指标的的关键性因素,因而,基于单片机的温湿度控制器的研究与设计是一个非常重要的研究方向。并且,智能温湿度控制技术在工业、农业、畜牧业等领域早已得到了非常广泛的应用,现如今在智能家居系统方面也正在大力推广这项技术。
本智能温湿度控制器选用AT89S52单片机作为主控单元,它将温湿度复合传感器DHT11采集回的数据进行处理,然后传送给液晶显示屏LCD12864进行显示,并且能够实现温湿度超限报警和自动调节功能。最终通过实物验证,完全能够满足设计的要求。
关键词:温湿度控制系统,AT89S52,DHT11,LCD12864
1 绪论
1.1 背景及意义
在人们日益追求生活品质的今天[1],作为最能直接影响人生活品质和工作效率的温度和湿度两项数据受到人们极大的重视,那么一款能够智能调节生活环境温湿度的温湿度控制器将成为人们青睐的对象。这样人们就能够直观的了解到生活环境的品质,并且能够将自己生活的环境调整到最适宜的状态。
1.2 主要研究内容
本文主要研究设计一款智能温湿度控制器,详细介绍本控制器的设计方案及具体的软、硬件设计方法。
本文主要研究的内容包含以下五点:
(1)确定温湿度智能控制系统的总体设计方案;
(2)实现单片机对温湿度传感器所测数据的读取及处理[2];
(3)实现液晶显示屏实时显示温湿度数据;
(4)实现外设功能按键对温湿度上下限进行设置和调整;
(5)实现当温湿度数据有其中一项超出上限或下限时,启动报警电路进行报警和打开继电器调节电路,对环境的温湿度进行调节。
1.4 系统总体方案
根据系统的设计要求,通过研究温湿度数据采集原理及自动控制原理,决定采用单片机作为智能温湿度控制器的控制芯片,主要担任温湿度数据的处理和控制其他外围设备工作的任务。
传感器采用复合式的温湿度传感器DHT11;显示屏采用液晶显示屏LCD12864;报警模块采用声光报警方式;按键模块采用四个独立式按键;调节模块采用光耦继电器控制的调节电路。系统整体结构框图如图1.1所示。

图1.1 系统整体结构框图
2 系统硬件设计
2.1 主控单元
本系统的主控芯片选用的ATMEL公司的AT89S52单片机,该单片机具有功耗低、速度快、性价比高等优点,存储器采用的是高密度非易失性存储技术,具有掉电保护功能,是一款高性能的8位CMOS单片机。
主控单元是包含单片机在内的一个最小系统,它能够为系统运行提供稳定的工作频率,保证系统按照已经写入的程序运行,由电源、单片机和外部时钟电路三部分组成。
2.2 温湿度采集模块
温湿度传感器DHT11是一款已校准的数字信号输出的温湿度复合式传感器,具有可靠性高、响应速度快、性价比高等优点。
DHT11的数据传输方式采用的是单总线数据串行传输方式,数据总线直接与单片机的一个I/O口相连。数据采集方式简单、速度快,有利于温湿度的实时显示。信号传输距离可达到20米以上,但是为了保证信号的强度和传输距离,通常将数据总线通过一个电阻上拉到电源正。
2.3 显示模块
液晶显示屏LCD12864选用带有中文字库的版本,这样可以很大程度的缩减程序编写的难度和工作量。并且LCD12864具有功耗低、视觉范围广、使用寿命长、显示清晰等优点。
LCD12864在与单片机引脚连接时选用并行数据传输方式,虽然会占用非常度的I/O口,但是数据传输速度快,有利于温湿度数据的实时显示(注:P0与LCD12864连接时需要外接上拉电阻)。
2.4 功能按键模块
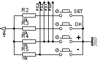
按键有独立式和行列式两种,此系统中功能按键模块选用的是四个独立式按键,独立按键之间不会相互干扰,有利于信号的稳定输入。但由于独立式按键会占用较多的I/O口,所以独立式按键仅适用于按键数量较少的情况。独立式功能按键电路连接图如图2.1所示。
图2.1 独立式功能按键电路连接图
2.5 报警模块
报警模块选用的是声光报警电路,即在温湿度数据有一项超出设定的上下限时,蜂鸣器会发声报警,同时,与超限项目相对应的LED彩灯就会发光报警,这样使用者能够更加方便、快速地了解超限项目的信息。
驱动蜂鸣器发声的电流需要达到15mA左右,但是,单片机的I/O口输出电流都在10mA以下,所以蜂鸣器需要一个驱动电路驱动,也可以称之为开关电路。
2.6 调节模块
调节模块选用的是四路光耦继电器开关电路,光耦继电器具有使用寿命长、单向传输、驱动能力强、抗干扰性能优越、开关效率高等优点。
四路光耦开关分别控制加热、散热、加湿、干燥四部调节设备,光耦继电器选用低电平触发方式,即单片机通过I/O口给继电器的一个输入端子低电平时,光耦控制开关闭合,打开调节设备对环境的超温湿度项进行调节,直至超限温湿度数据重新回到限定的范围内。
3 系统软件设计
3.1 软件整体构思
对于一个设计合理的自动控制系统而言,完善的硬件和设计合理的软件都是必不可少的,尤其的在单片机等微处理器高速发展的今天,程控显现的尤为重要。
系统整体的软件设计思路是自顶向下与自底向上设计方法相结合[4]。首先要分析系统的整体功能,根据功能确定软件编程的整体思路;然后根据整体思路划分功能子模块,通过各个功能子模块的使用手册编写子模块的程序;最后编写主函数,确定主函数与子函数以及子函数与子函数之间的调用关系。
通过这样的设计思路可以实现整体系统的软件编译,但是仍然会存在很多的问题,需要通过软件调试的方式对程序的逻辑等方面进行修改,以达到最终功能实现的目的。
3.2 软件实现
软件编写过程中,难度最大的就是功能按键模块的子程序以及主函数对功能按键模块子程序进行调用时的逻辑关系,在这两个部分要综合考虑按键状态的读取、系统状态标志置数、子函数调用等很多方面的情况。
功能按键的程序编译方面为了提高单片机的响应速度,其中“+”和“-”两个按键采用外部中断采集按键信息的方式[3],而另外的两个按键采用的是软件查询采集按键信息的方式,每次采集到相应按键的信息之后首先要考虑相应标志数置数的问题,因为这直接影响到程序的运行方向以及相应子程序的调用,进而影响整个系统的运行状态。
4 系统调试
4.1 硬件调试
系统的硬件调试是非常重要的,尤其是在系统第一次上电之前,一定要仔细检查硬件电路焊接等方面的问题,否则很可能会因短路等问题导致整个系统烧毁。
硬件方面的调试主要分下面两个步骤:
(1)在给整个系统通电之前,首先要认真检查元器件之间线路的连接是否正确,并认真核对所用元器件的类型、规格、型号以及安装位置等方面是否符合所用元器件的使用规范和要求。还应该尤其注意电源系统方面的检查,防止出现电源极性连接错误或电源正负极短路的情况。
(2)上面一步的整体硬件电路方面的调试只是简单的排除掉硬件电路方面最表面的故障,重点是要将硬件电路与软件编程相结合进行调试,只有这样才能真正的发现硬件电路连接方面的错误,才能真正排除硬件方面的故障。
4.2 软件调试
系统的软件调试将直接关系到系统整体的功能实现,是系统设计最重要的一个环节,对系统软件进行调试时要注意调试步骤。要首先对子模块进行调试,在子模块功能完全实现之后,根据系统的功能确定不同子函数之间的调用关系,调试主函数。最后利用实物,将编写好的程序烧录到系统单片机中进行验证,如果实物未能实现预期的功能,要将程序重新进行调试,直至实物能够实现预定的功能为止。
5 结论
本系统综合利用了单片机技术、数字电子技术、模拟电子技术、传感器技术和LCD液晶显示技术等学科知识,完成了实物方面的验证,实现了基于单片机的温湿度测量、温湿度数据实时显示、温湿度上下限设置、超限报警和智能调节的基本功能。
全文比较全面、系统地介绍了硬件电路的组成及设计方法,详细讲解了利用单片机C语言完成系统软件编译过程。
本设计主要有以下四个特点:
(1) 把复合温湿度传感器技术应用到单片机智能控制系统中,实现了利用一个传感器同时对环境的温度和湿度的数据进行采集、传输等功能;
(2) 利用LCD液晶屏显示技术完成了对实时温度、湿度等信息的清晰显示;
(3) 外接蜂鸣器和LED彩灯声光报警模块,在温湿度数据有超过设定的上下限时自动发出声光报警;
(4) 整个系统的软、硬件设计、开发简单,搭配合理,维护方便,性价比高,实用性强。
本系统存在的不足及以后的拓展方向:
(1)设计不足
系统未能实现实时上限限信息的选择功能,不能实现更加精确的温湿度上下限的确定。
(2)系统拓展方向
1 本系统可以利用串口通讯的方式与电脑相连接,然后将采集的信息传输到电脑上,在电脑上利用相关软件进行处理,例如,可以将数据汇总到Excel表格内,利用绘图功能绘制时间与温湿度的关系曲线,也可将信息直接发布到WAP上,利用网络进行远程操控;
2 本系统可以添加中、短程无线通信的传输模块,如Wifi等,使系统能够在环境比较恶劣、比较危险的不适合人到达的地方进行工作,这样就很大程度的提高了系统的实用性;
3 本系统可以通过增加传感器的数量,分布安放传感器,实现多个位置的温湿度数据的采集、比较和分析。
参考文献
[1] 汤旭华,汪正祥,曾亮.仓库温湿度控制器设计[J].信息技术,2013,(08).
[2] 贾石峰.传感器原理与传感器技术[M].北京:机械工业出版社,2009:1-5.
[3] 李华,王思明,张金敏.单片机原理及应用[M].兰州:兰州大学出版社,2001:75-89.
[4] 谭浩强.C语言程序设计(第四版)[M].北京:清华大学出版社,2010:34-35.
Research and Design of Temperature and Humidity Controller Based on Microcontroller
Electronic Science and Technology 201210701 HanYun
Mentor Sun Chunxia(Associate Professor)
Abstract:With the development of the science and technology, people's quality of life and efficiency requirements are also gradually improve, temperature and humidity are key factors in determining these two indicators, therefore, the research and design of temperature and humidity controller based on single-chip microcomputer is a very important research area. And intelligent temperature and humidity control technology in industry, agriculture, animal husbandry and other fields had a very wide range of applications, and today,in the smart home system also are pushing this technology.
The intelligent temperature humidity controller using AT89S52 microcontroller as the main control unit, composite temperature-humidity sensor DHT11 processing of the data collected, and then transmitted to the liquid crystal display LCD12864 to display, and the ability to achieve temperature and humidity alarm and automatic adjustment functions. Through physical verification, fully able to meet the design requirements.
Key words: Temperature and Humidity Control system,AT89S52,DHT11,LCD12864