简易分米波通信系统的设计与实现
通信工程 201409732 裴振启
指导老师 蒋占军(教授)
摘 要:本文从未来无线通信的要求入手,分析了无线通信信道特点,针对长距离、高速率、低延迟、低误码率、组网方便和低功耗等无线网络发展特性,提出一套分米波通信系统的设计方案。设计采用了频移键控(FSK)、时分双工(TDD)、分集技术等技术,使用STM32作为主控微处理器,Si4463作为无线模块的主芯片,MAC协议采用载波侦听多路访问/冲突避免(CSMA/CA)算法。依据设计方案完成通信系统实物制作,在城市道路环境中进行系统性能测试分析,验证了设计的可行性和稳定性,完成了预期设计目标。
关键词:无线通信;分米波通信;CSMA/CA;天线分集;时分双工
1 引言
随着信息技术的飞速发展,无线通信在生活中扮演了越来越重要的角色,低功耗、微型化是当前无线通信设备尤其是便携化设备的发展趋势,数据通信的时效要求进一步提高,多设备在资源有限的电磁波上传输,必须共享信道来节约有限的频谱资源,干扰和噪声是不可避免的问题,所以抗干扰、降低误码和保证通信的有效性、安全性是无线通信的重要技术指标。分米波数字无线通信相比于短波通信有更大的带宽、更低的延时和更好的稳定性安全性,符合未来无线通信系统的发展需求,正引起越来越广泛的观注,为此,本文针对城市无线通信发展需求,设计完成了一套分米波通信系统,为新型无线网络设计提供了一种解决方法。
2 关键技术
(1)FSK调制方式
针对本文的设计需求,在分析比较各种调制方式性能特点之后,本设计采用了频移键控(Frequency-shift keying,FSK)调制方式,其主要优点是拥有良好的抗衰减和抗噪声的性能,在实际情况下比较容易实现。
(2)时分双工
时分双工(Time Division Duplexing,TDD)是指在占用相同信道的不同时间点发送和接收数据,并且通过保护时间来分隔发送和接收信道。与通常的频分复用对比,TDD具有以下优点:首先不需要额外的频率,可以有效利用珍贵的频谱资源,频率配置比较方便;其次在组网工作时,组建网络灵活简单,易于进行频率管理和规划;最后有利于多用户互通,组网灵活。
(3)MAC协议
在无线网络中,为了保证在通信范围内的每个节点的信号可以被其他节点正常接收解调,保证信号不受到其它同频信号的干扰,必须在发送信号时抑制了其他节点的通信。媒体访问控制(Media Access Control,MAC)协议就是为了解决这个问题。本设计是多个设备组网,每个设备地位平等,所以适合采用随机竞争的MAC协议。
(4)分集接收技术
信号在传输过程中必然会受到反射、绕射、多径和衰落等等的影响,从而产生多径分量信号,分集接收技术是对抗衰落的一种非常经济有效的途径。接收端利用多天线同时接收每个信号,通过一定的规则将分离的信号合并,并且使在接收到的信号中的有用信号的能量最大化,同时也大大提高了处理后的接收信号的信噪比,以减轻信号衰落对无线通信性能和可靠性的影响。
3 核心软件算法
载波侦听多路访问(Carrier Sense Multiple Access,CSMA)及其改进方式目前广泛使用的物理层随机竞争协议。在CSMA中,当某一节点正在使用信道通信时,其它站点保持静默,从而防止发生同频干扰,保证通信质量。该协议的基本流程就是在发送数据前先进行载波侦听,查看是否有站点正在使用信道,如果侦听到了其它站点正在发送数据,就暂停发送,从而减少了发生冲突的可能性,提高了可靠性性和效率。
假设现在有四个无线通信节点,分别是节点A、B、C、D。当节点A向节点C传输信号时,节点A必须先向节点C发送一个请求帧RTS,然后节点C发送CTS信息帧。其它节点接收到CTS后,就不再发送任何数据,直到数据发送结束。在RTS和CTS中会有一个字段,用于表示这次数据交换需要的时间长度,称为网络分配矢量伽(NAV), NAV就是其它节点的等待时间长度。工作过程如图1所示。详细的软件流程如图2所示。
图1 CSMA载波监听协议
 |
 |
(a) 发送流程 |
(b) 接收流程 |
图2 MAC协议子程序发送和接受流程图 |
首先,在无线模块在一直处于接收状态(除非现在要发送数据),同时接收数字接收信号强度指示(Received Signal Strength Indication,RSSI)数据,使用能量载波混合检测的方式,查看信道是否净空。如果需要发生数据时还发现信道被占用,就选一个随机数,等待随机数的时间后就再次检测信道是否净空。如果检测到信道净空,就先发送一个带地址码的发送请求,收到请求后就会返回一个带地址码的应答,不是该地址的发送机就停止发送,该地址的发送机发送数据,将数据放入无线模块的数据缓存区,从而完成带冲突检测的无线数据通信。
4 硬件电路
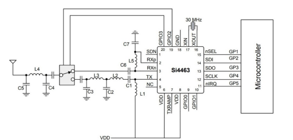
无线模块电路和微处理器控制电路是整个设计的核心。其中STM32作为主控制器。而Si4463是高性能、低电流的无线收发器,作为无线模块的核心芯片。无线模块和STM32的连接电路图如图3。
图3 Si4463无线模块电路图
由于要使用CSMA/CA的MAC协议来解决冲突的问题,就必须产生冲突才行。所以一对一的无线通信就没有意义。所以至少要有三个主机,并且在它们之间相互通信才会有实际意义。KEY发送主机只负责KEY信息的发送,硬件结构如图4;GPS主机负责接收GPS数据并通过无线网络传输,同时接收KEY信息,硬件结构如图5;纯接收主机负责接收无线网络里的的信息,硬件结构如图6。

图4 KEY发送主机硬件连接图 图5 GPS主机硬件连接图

图6 纯接收主机硬件连接图
所有的系统由单片机最小系统、液晶显示模块、按键模块、供电系统、GPS模块和Si4463无线模块的一部分组成。供电系统将升压的5V供给液晶显示模块和按键模块,而单片机最小系统和Si4463无线模块是使用AMS1117降压后3.3v供电。STM32使用串口将液晶显示模块、GPS模块和Si4463无线模块连接到MCU,用普通的GPIO功能连接按键。
5 性能测试和分析
将上面所述的硬件模块按照总体电路设计组装起来后,将对应程序下载到对应的单片机里,就完成了整个系统。各个主机的实物图如图7。经过实物系统的测试,未发现传输数据的误码,未发现明显无线信号冲突,传输数据时延较小,初步确认实现设计要求和目标。
图7 实物外观
因为无线传输非常容易受到环境因素影响,所以我在不同的时间、街上不同的位置测试了三次,取平均值就确定了可以传输的距离。在取平均值后,舍去十位个位后,得出可靠传输距离为400m。
两个单片机连接无线模块,电脑通过USB转TTL与单片机连接,首先让给主机1发送一个数据包,让其发送并开始计时,然后等待主机二将接收到的数据传输给电脑并结束计时。经过三次测试,统计的数据分别为40ms、41ms、41ms,故认为传输数据延时为41ms。
两个主机间隔60m,中间有多堵墙阻隔,两个单片机连接无线模块,电脑通过USB转TTL与单片机连接,一个发送,一个接收。100ms发送一次,运行2小时,未检测到误码,认为误码率较低。
三个个主机相互间隔20m距离,三个个单片机都连接各自的无线模块,电脑通过USB转TTL与单片机连接,两个主机发送,一个主机接收。发送设置成每100ms自动发送一次,查看接收主机是否正常接收,有无丢包和误码。经过1个小时的测试,发现只有一次冲突出现,可以初步确认CSMA/CA的可行性。
结论
本文针对未来无线通信的需求和苛刻环境使用,从多机通信、高速率和低功耗作为切入点,使用了CSMA/CA的MAC协议,解决了多机通信避不开的冲突问题,并积极考虑了低功耗的应用场景,并使用天线分集技术、自动频率控制和自动增益控制等技术,保证在恶劣条件下的良好的可靠性和适用性,保证在实际中的使用可行性。本设计可以作为小型无线网络进行实际使用。例如火车上的各种传感器,有些是不在火车头上,而是后面的列车上的,不方便有线连接,就可以使用本文的设计。再例如智能家居里的各式传感器就可以使用本设计的系统进行代替,使用无线传输,就可以检测各个位置的环境。而且通过实物的实际测试,其完全达到了预期的指标,满足实际的可用性要求,可以为以后的无线通信网络系统提供借鉴和方向。
参考文献
[1]江海明. 无线通信技术的发展历程及其意义体现[J].科技创新导报,2013(01):65.
[2]黄杨. 短波发射前端电路的研究与实现[D].武汉理工大学,2015.
[3]高婷婷. 基于软件无线电的射频前端研究设计[D].南京邮电大学,2012.
[4]白立锋. 点对多点无线通信系统设计与实现[D].西安电子科技大学,2010.
[5]王绘宇. 移动信道建模与仿真及其在点到多点通信系统中的应用研究[D].重庆大学,2007.
[6]顾文杰. 数据采集及无线通信系统设计[D].南京理工大学,2008.
[7]余增范,伊良芳,陈建民. 智能化分集合并技术[J].无线电工程,2008(09):55-56.
[8]李佰鹤. 基于FFP-TF的FBG传感器解调系统[D].太原科技大学,2013.
Design of Simple Deci-meter Wave Communication Systems
Communication Engineering 201409732 PEI Zhenqi
Instructor JIANG Zhanjun (Professor)
Abstract: A design scheme is proposed based on analysis of requirements for future wireless communication systems, development characteristics of wireless communication systems such as communication distance, high speed, low delay, low bit error rate, easy networking, low power consumption and so on. In the schem, FSK, time division duplexing, diversity technologies and CSMA\CA technologies are employed as the key technologies. STM32 is the main chip of the controlling microprocessor and Si4463 is the main chip of the wireless module. Carrier sense multiple access/collision avoidance (CSMA/CA) is used as the core program algorithm of MAC protocol. The deci-meter wave communication system is completed and the performance is tested in real environment in order to verify the feasibility and stability of the design.
Key Words: Wireless Communication; Deci-meter Wave Communication; CSMA/CA; Antenna Diversity;